■ベスパ|ラージ・ボディー|
スペアーパーツ
|
必要な部品をパーツリストから選んでください。
■■にはリスト内の番号を入れてください。例:10145 プラグを示します
在庫・価格に付いては注文フォームに記入し送信下さい。折り返しご連絡いたします。
201■■
シリンダー/ピストン
ガスケット/
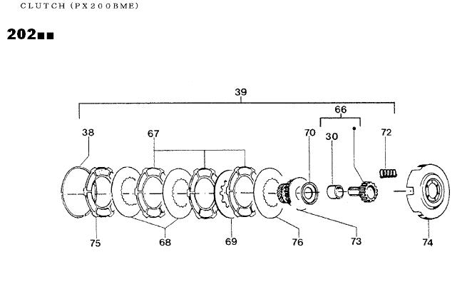
202■■
クラッチ/キック/
202■■
クラッチ/PX-FL
203■■
ギヤー/リアブレーキシュー/ドラム/
204■■
キックレバー/スターターギヤー/
205■■
フライホイール/電装/
206■■
キャブレター/
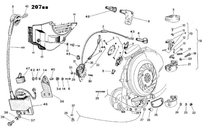
207■■
IGコイル/ギヤーセレクター/
208■■
タンク/シート
209■■
ホーンカバー/モール/
210■■
サイドカバー/フロントボックス
211■■
前後サスペンション/
212■■
センタースタンド/ステップ周り
213■■
0
フロントフォーク/フェンダー/フロントブレーキ周り
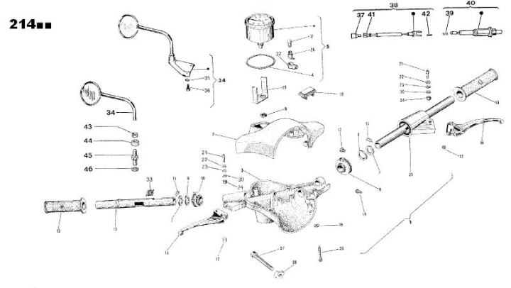
214■■
ハンドル周り
215■■
ワイヤー/
216■■
ホイール/工具
217■■
ヘッドライト/テールランプ/スイッチ
219■■
ウインカー/レギュレーター/
220■■
セルモーター/スタータースイッチ/
221■■
フロントディスク・ブレーキ/FL用
0
0